当社の研磨レス(プレミアム)プレート加工品の強みを徹底解説!
- 短納期対応
- 全国対応
- 大型機械加工
- 非鉄金属
フライス加工で実現した鏡面仕上げ
フライス加工後の研磨工程にお困りではありませんか?
当社のプレミアムプレートなら、研磨工程を省略しながら高品質な表面仕上げを実現できます。
コスト削減と納期短縮を同時に叶える、その秘密を詳しくご紹介します。
研磨レス・プレミアムプレートの特徴
プレミアムプレートとは
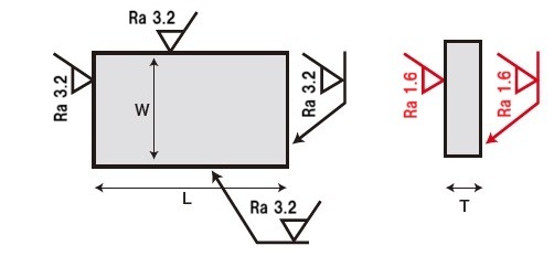
従来のフライスプレートでは面粗度(Ra3.2)が基本仕上がりであり、高精度を求めるならフライス後に研磨工程を入れる必要がありました。
しかし深江特殊鋼のプレミアムプレートでは、従来の工具とは異なる特別なカッターを使用し、(Ra1.6)相当の面粗度を実現することに成功し、フライス加工のみで研磨加工のような鏡面仕上げを実現しました!
(※フライス時のカッターマークは残ります※)
これにより、従来必要であった研磨工程を省略することができ、工程短縮とコストダウンが可能となります!
また、高精度の鏡面仕上げの為、製品の外観イメージの向上も可能です!


各材質に対応
SS400、S50C、S55C、SK3、SKS3、SKD11…各種対応できます。
半導体製造装置や食品業界向けのSUSプレートにも対応しております!
また、材料の調達から吊りタップなどの加工まで一貫しての対応も可能です。
製作サイズや仕様など
以下がプレミアムプレートの仕様となります。
製作サイズ

※厚み寸法によっては、幅・長手の寸法が制限される場合がございます。
面粗度
■プレミアム(鏡面仕上)

4. 加工精度
■フライス加工

(単位:mm)
5. 平行・直角・平面度

(単位:mm)
反射を抑えたスモーク仕上げも可能
製品や加工する部品によっては、高い精度が欲しいが「てかり」を抑えたい場合もあります。
その場合は光の反射を抑えた仕上げも可能です!

プレミアムプレートのメリット
研磨レス・プレミアムプレートを採用することで、次の3つの大きなメリットを得られます。
- コスト削減 – 研磨工程が不要になることで工賃を削減!
- 納期短縮 – 後工程を省略できるため、リードタイムを短縮!
- 外観品質の向上 – 高面粗度により製品の見た目も美しく!
これらのメリットにより、トータルでの製造コストを削減することが可能です。
プレートの調達から加工まで、メタナビにお任せください!
メタナビを運営する深江特殊鋼株式会社は、鋼材商社として全国規模の協力企業ネットワークを構築しております。そのためお客様の様々なご要望にお答えすることができます。
材料の手配から加工、研磨、表面処理までの部品製作の一括対応に加え、試作品・多品種小ロット生産から量産品は当社にお任せ下さい!
材料選定・コストダウン・工法変換・軽量化・品質向上・納期短縮でお困り事がございましたら、お気軽にお問い合わせ・ご相談ください。
30種類以上の鋼材を徹底図解!『金属材料・機械部品 総合カタログ』無料プレゼント中!

様々な鋼材を解説した総合カタログを無料プレゼント中です。
深江特殊鋼は御社のコストダウンに貢献いたします。







